Магазин запчастей для бытовой техники - Arlos
Москва
close
Выберите ваш регион
АбаканАлександровАльметьевскАнгарскАрзамасАрмавирАртемАрхангельскАстраханьАчинскБалаковоБалашихаБеларусьБелгородБердскБерезникиБийскБлаговещенскБратскБрянскВеликий НовгородВидноеВладивостокВладикавказВладимирВолгоградВолгодонскВолжскийВологдаВолховВоркутаВоронежВоскресенскВыборгГатчинаГеленджикГрозныйДедовскДербентДзержинскДзержинскийДимитровградДмитровДолгопрудныйДомодедовоДонецкЕвпаторияЕгорьевскЕкатеринбургЕлецЕссентукиЖелезногорскЖелезнодорожныйЖуковскийЗеленоградЗлатоустИвановоИвантеевкаИжевскИркутскИстраЙошкар-ОлаКазаньКалининградКалугаКаменск-УральскийКамышинКаспийскКемеровоКерчьКировКисловодскКлинКовровКоломнаКомсомольск-на-АмуреКопейскКоролёвКостромаКотельникиКрасногорскКраснодарКраснознаменскКрасноярскКурганКурскКызылЛенинск-КузнецкийЛипецкЛобняЛыткариноЛюберцыМагнитогорскМайкопМалаховкаМахачкалаМиассМоскваМурманскМуромМытищиНабережные ЧелныНазраньНальчикНаро-ФоминскНахабиноНаходкаНевинномысскНефтекамскНефтеюганскНижневартовскНижнекамскНижний НовгородНижний ТагилНовокузнецкНовокуйбышевскНовомосковскНовороссийскНовосибирскНовоуральскНовочебоксарскНовочеркасскНовошахтинскНовый УренгойНогинскНорильскНоябрьскОбнинскОдинцовоОктябрьскийОмскОрелОренбургОрехово-ЗуевоОрскПавловский ПосадПензаПервоуральскПермьПетрозаводскПетропавловск-КамчатскийПодольскПрокопьевскПсковПушкиноПятигорскРаменскоеРеутовРостов-на-ДонуРубцовскРыбинскРязаньСакиСалаватСамараСанкт-ПетербургСаранскСаратовСевастопольСеверодвинскСеверскСергиев ПосадСерпуховСимферопольСмоленскСосновый БорСочиСтавропольСтарый ОсколСтерлитамакСтупиноСургутСызраньСыктывкарТаганрогТамбовТверьТихвинТольяттиТомилиноТомскТроицкТулаТюменьУлан-УдэУльяновскУссурийскУсть-ИлимскУфаУхтаФеодосияФрязиноХабаровскХанты-МансийскХасавюртХимкиЧебоксарыЧелябинскЧереповецЧеркесскЧеховЧитаШахтыЩелковоЭлектростальЭлистаЭнгельсЮжно-СахалинскЯкутскЯлтаЯрославль
  • - бесплатно по РФ
    Автоперезвон. Работает по принципу: Вы позвонили на номер, мы сбрасываем звонок и перезваниваем через 3 секунды.
  • - по Москве
  • 8 (925) 663-83-63

Call-центр

пн-вс: 10:00-19:00

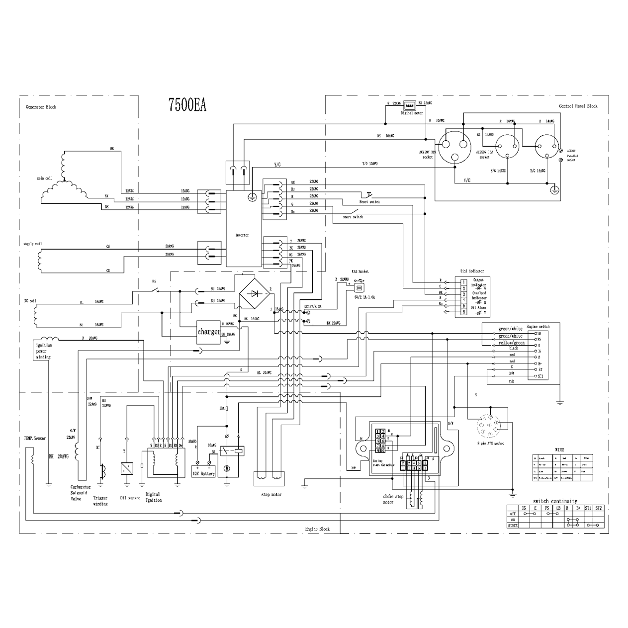
Инверторный генератор СБИ-7500ЕА

Данная модель имеет несколько схем

NАртикулНазваниеСрок отгрузкиЦенаКупить
1.01 N000-041-187 Датчик топлива поплавковый.
1.02 N000-041-163 Бак топливный.
1.03 N000-041-166 Крышка топливного бака
1.04 N000-041-164 Фильтр топливный
1.09 N000-041-160 Виброгаситель
1.10 N000-041-167 Штуцер
1.11 N000-041-015 Рама
1.12 N000-041-171 Пластина монтажная двигателя правая
1.13 N000-041-132 Крепление глушителя
1.15 N000-041-165 Кран топливный
1.16 N000-041-211 Рукоятка топливного крана
1.18 N000-041-157 Топливная трубка
1.19 N000-041-256 Пластина монтажная двигателя левая
1.20 N000-041-169 Амортизаторы
1.22 N000-041-198 Батарея аккумуляторная
1.24 N000-041-176 Панель передняя
1.25 N000-041-019 Панель приборная
1.26 N000-041-181 Выход 12 вольт
1.27 N000-041-179 Выход USB
1.28 N000-041-177 Индикатор состояния питания
1.29 N000-032-882 Розетка (220В/32А)
1.32 N000-032-881 Розетка 220В/16А 383 р.
1.33 N000-041-180 Порты параллельного соединения
1.34 N000-041-186 Вольтметр цифровой/счетчик моточасов
1.35 N000-041-173 ЭКО-переключатель
1.36 N000-041-174 Выключатель главный
1.37 N000-041-182 Кнопка сброса
1.38 N000-041-178 Разъем АВР
1.39 N000-041-012 ДВС в сборе
1.40 N000-041-135 Глушитель
1.41 N000-041-203 Инвертор
2.12 N000-041-150 Стартер ручной в сборе
2.16 N000-041-147 Храповик
2.17 N000-041-144 Крыльчатка
2.18 N000-041-026 Статор
2.19 N000-041-154 Сальник D52xd32x7
2.21 N000-041-193 Магнето
2.25 N000-041-031 Прокладка болта слива масла
2.26 N000-041-034 Картер
2.28 N000-041-185 Датчик уровня масла поплавковый
2.30 N000-033-047 Регулятор оборотов центробежный 261 р.
2.31 N000-041-189 Реле датчика масла
2.32 N000-041-087 Вал коленчатый
2.33 N000-032-015 Подшипник шариковый 6202 открытый (35х15х11) CCEB 239 р.
2.34 N000-041-029 Прокладка картера
2.35 N000-041-108 Крышка маслозаливной горловины
2.36 N000-041-036 Крышка картера
2.40 N000-041-128 Фильтр воздушный в сборе
2.41 N000-041-338 Катушка зарядная
2.43 N000-041-119 Прокладка воздушного фильтра
2.44 N000-041-117 Карбюратор
2.45 N000-041-111 Прокладка карбюратора
2.46 N000-041-114 Теплозащита карбюратора
2.47 N000-041-123 Прокладка впуска
2.49 N000-041-067 ГБЦ
2.50 N000-041-064 Прокладка ГБЦ
2.51 N000-041-057 Клапан впускной
2.52 N000-041-061 Клапан выпускной
2.53 N000-041-094 Толкатель клапана
2.54 N000-041-098 Распредвал
2.55 N000-041-125 Патрубок
2.56 N000-041-049 Подпятник
2.57 N000-041-053 Тарелка пружины клапана
2.59 N000-041-047 Пружина клапана
2.60 N000-001-726-2 Свеча зажигания F7TC для газонокосилок 383 р.
2.62 N000-041-070 Клапанная крышка
2.63 N000-041-041 Прокладка клапанной крышки
2.64 N000-041-103 Гайка крепления клапанов
2.65 N000-041-105 Гайка настройки клапанов
2.66 N000-041-102 Коромысло
2.68 N000-041-095 Пластина ограничительная
2.69 N000-041-044 Колпачек маслосьемный
2.70 N000-041-050 Седло клапанной пружины
2.71 N000-041-091 Штанга
2.75 N000-041-081 Кольцо стопорное поршня
2.76 N000-041-073 Шатун
2.77 N000-041-076 Поршень
2.78 N000-041-079 Палец поршневой
2.79 N000-041-084 Кольца поршневые комплект (79-81)
2.82 N000-041-155 Трубка топливная
2.84 N000-033-324 Подшипник шариковый 6207 открытый (72х35х17) ZGMQ 542 р.
2.85 N000-041-088 Вал балансировочный
2.86 N000-041-190 Стартер электрический в сборе с реле
2.87 N000-041-196 Реле стартера
2.90 N000-041-022 Ротор
2.91 N000-041-008 Элемент фильтрующий
Найдено товаров: 86
1
▲ Наверх
0
8 (925) 663-83-63

Call-центр

пн-вс: 10:00-19:00

НАЙТИ ПО МОДЕЛИ
Введите номер заказа
Введите номер своего заказа, что бы узнать его текущий статус.
Что бы получить доступ к расширенным функциям, пройдите не сложную регистрацию. Зарегистрироваться